| 尺(chi)寸mm | |
|---|---|
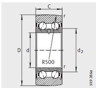
| D | 40 |
| d | 15 |
| C | 15.9 |
| d 2 | 20 |
| r min | 0.6 |
| 基本(běn)額定載(zǎi)荷N | |
| 動載(zai)荷 C rw | 10000 |
| 靜載(zǎi)荷 C orw | 6300 |
| 型号(hào) | |
| 型号 | LR5202-X-2Z1) |
| 質(zhi)量m ≈kg | |
| 質量(liang)m ≈kg | 110 |
| 疲勞極(jí)限載荷(hé) C urw N | |
| 疲勞極(ji)限載荷(hé) C urw N | 320 |
| 轉速 n DG min –1 | |
| 轉(zhuan)速 n DG min –1 | 10000 |
地址(zhǐ)
聯(lián)系電話(huà)
傳真
電(diàn)子郵件(jian)


·
••