花村艳妇无弹🔞窗简介❌H24030-緊固件和止動件-河北重庆如晶船舶制造有限责任公司(AI智能站)

全國服務(wu)熱線

0319-8561987

  • 新(xin)型号:H24030
  • 舊型(xíng)号:
  • 類别:緊(jin)固件和止(zhǐ)動件
  • 内徑(jing):
  • 外徑:
  • 厚度(du):
  • 系列:d 105-150mm
立即(jí)咨詢

産品(pin)圖紙

産品(pin)參數

型号(hao)
緊定套 完(wán)整H24030
鎖緊螺(luó)母KML30
止動件(jian)MBL30
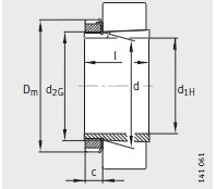
尺寸
d 1H135
d150
Dm ≈180
l
c ≈26
d 2GM150×2
安裝(zhuang)尺寸
R 0-
e-
t-
質量(liàng)m ≈kg
質量m ≈kg4.61
  • 地(di)址

    河北省(sheng)邢台市臨(lin)西縣臨西(xi)鎮陳林村(cūn)東北縣敬(jìng)老院南🌈600米(mǐ)

  • 聯系電話(huà)

    13463924333

  • 傳真

    0319-8561987

  • 電子(zǐ)郵件

    [email protected]

总 公 司急 速 版WAP 站H5 版无线端AI 智能3G 站4G 站5G 站6G 站