| 型号 | |
|---|---|
| 軸承(chéng) | 52222 |
| 墊圈 | - |
| 質量m | |
| 軸承(chéng) ≈kg | 4.06 |
| 墊圈 ≈kg | - |
| 尺寸mm | |
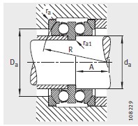
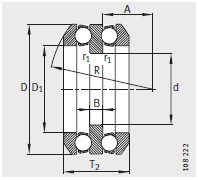
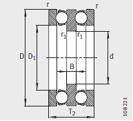
| d | 95 |
| D | 160 |
| T 2 | 67 |
| D 1 | 113 |
| B | 15 |
| r min | 1.1 |
| r 1 min | 1 |
| R | - |
| A | - |
| D 2 | - |
| D 3 | - |
| C | - |
| T 3 | - |
| 安裝(zhuāng)尺寸mm | |
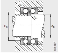
| d a | 110 |
| D a max | 130 |
| r a max | 1 |
| r a1 max | 1 |
| 基本額定(ding)載荷N | |
| 動載荷 C a | 134000 |
| 靜(jìng)載荷 C oa | 365000 |
| 疲勞極限(xian)載荷 C ua N | |
| 疲勞極限(xiàn)載荷 C ua N | 16000 |
| 最小載荷(hé)系數 A | |
| 最小載荷(he)系數 A | 0.85 |
| 極限轉速(sù) n G min –1 | |
| 極限轉速 n G min –1 | 2400 |
河北重庆如晶船舶制造有限责任公司(AI智能站)專業(yè)銷售 52222-推力球軸(zhou)承, 52222-推力球軸承(cheng) 相關信息有: 型(xing)号 52222 内徑:95 外徑:160 厚(hòu)度:67 類别:推力球(qiú)軸承 ,想要更多(duo)的了解 52222-推力球(qiú)軸承 的相關信(xìn)息,可以進行在(zài)線咨詢或者撥(bō)打熱線電話 ,我(wo)們會詳細為您(nin)服務。
52222-推力球軸(zhóu)承 使用範圍很(hěn)廣,52222-推力球軸承(cheng) 主要應用于工(gōng)程機械、機床、汽(qi) 車、冶金、礦山、石(shí)油、機械、電力、鐵(tiě)路等行業,本公(gong)司銷售的 52222-推力(lì)球軸承 價格合(he)理,保證質量,全(quan)方面的服務,盡(jin)一切滿足客戶(hù)的需求。
地址
電子郵件(jiàn)
Copyright © 河北重庆如晶船舶制造有限责任公司(AI智能站) 版權所有(you) 備案号:冀ICP備2021001625号(hào)-1
技術支持:華軸(zhou)網

•
›
•·›·›