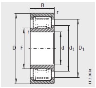
| 尺寸mm | |
|---|---|
| d | 30 |
| D | 72 |
| B | 27 |
| r min | 1.1 |
| s 1) | 2 |
| 安裝尺(chi)寸mm | |
| F | 38.3 |
| d 1 ≈ | 43.5 |
| D 1 ≈ | 56 |
| 基本額定載荷(he)N | |
| 動載荷 C r | 94000 |
| 靜載荷 C or | 80000 |
| 型(xing)号 | |
| 型号 | ZSL192306 |
| X-life | |
| X-life | XL |
| 質量 m ≈kg | |
| 質量(liang) m ≈kg | 0.55 |
| 疲勞極限載荷 C ur / N | |
| 疲(pi)勞極限載荷 C ur / N | 13400 |
| 極限(xiàn)轉速 n G /min –1 | |
| 極限轉速 n G /min –1 | 13900 |
| 參(cān)考轉速 n B /min –1 | |
| 參考轉速(su) n B /min –1 | 8500 |

·
›
••
•••·•
•·