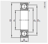
| 尺寸 mm | |
|---|---|
| d | 340 |
| D | 520 |
| B | 57 |
| r min | 4 |
| D 1 ≈ | 457.1 |
| d 1 ≈ | 403.6 |
| 安裝(zhuāng)尺寸 mm | |
| d a min | 354.6 |
| D a max | 505.4 |
| r a max | 3 |
| 基本額定(dìng)載荷 N | |
| 動載荷 C r | 355000 |
| 靜(jìng)載荷 C or | 550000 |
| 型号 | |
| 型号(hào) | 16068-M |
| 質量m ≈kg | |
| 質量m ≈kg | 47.5 |
| 疲勞(lao)極限載荷 C ur / N | |
| 疲勞(láo)極限載荷 C ur / N | 17800 |
| 極限(xiàn)轉速 n G /min –1 | |
| 極限轉速(su) n G /min –1 | 2800 |
| 參考轉速 n B /min –1 | |
| 參考(kao)轉速 n B /min –1 | 1460 |
聯系電話
傳真(zhēn)
Copyright © 河北(bei)重庆如晶船舶制造有限责任公司(AI智能站) 版權所有 備案(an)号:冀ICP備2021001625号-1

