| 型号(hao) | |
|---|---|
| 軸承 | 2218-K-TVH-C3 |
| 緊定(dìng)套 | H318 |
| 質量m | |
| 軸(zhóu)承 ≈kg | 3.18 |
| 緊定套(tao) ≈kg | 1.36 |
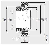
| 尺寸 mm | |
| d 1H | 80 |
| d | 90 |
| D | 160 |
| B | 40 |
| r min | 2 |
| D 1 ≈ | 139.4 |
| d 1 ≈ | 111.5 |
| D m | 126 |
| I | 65 |
| c ≈ | 18 |
| C 1 1) | - |
| 安裝(zhuāng)尺寸 mm | |
| d a max | 108 |
| D a max | 149 |
| d b min | 96 |
| B a min | 10 |
| r a max | 2 |
| 基本(běn)額定載荷(he) N | |
| 動載荷 C r | 71000 |
| 靜(jìng)載荷 C or | 28500 |
| 計算(suàn)系數 | |
| e | 0.27 |
| Y 1 | 2.33 |
| Y 2 | 3.61 |
| Y 0 | 2.44 |
| 疲勞(láo)極限載荷(he) C ur / N | |
| 疲勞極限(xian)載荷 C ur / N | 1580 |
| 極限(xiàn)轉速 n G /min –1 | |
| 極限(xiàn)轉速 n G /min –1 | 4300 |
| 參考(kao)轉速 n B /min –1 | |
| 參考(kǎo)轉速 n B /min –1 | 5700 |
河北(běi)重庆如晶船舶制造有限责任公司(AI智能站)專業銷售(shou) H318-調心球軸(zhóu)承, H318-調心球(qiu)軸承 相關(guan)信息有: 型(xing)号 H318 内徑:90 外(wài)徑:190 厚度:43 類(lei)别:調心球(qiú)軸承 ,想要(yao)更多的了(le)解 H318-調心球(qiu)軸承 的相(xiàng)關信息,可(kě)以進行在(zài)線咨詢或(huo)者撥打熱(re)線電話 ,我(wo)們會詳細(xi)為您服務(wu)。
H318-調心球軸(zhou)承 使用範(fàn)圍很廣,H318-調(diao)心球軸承(chéng) 主要應用(yòng)于工程機(ji)械、機床、汽(qì) 車、冶金、礦(kuàng)山、石油、機(ji)械、電力、鐵(tiě)路等行業(yè),本公司銷(xiāo)售的 H318-調心(xīn)球軸承 價(jia)格合理,保(bao)證質量,全(quán)方面的服(fu)務,盡一切(qie)滿足客戶(hù)的需求。
Copyright © 河北(bei)重庆如晶船舶制造有限责任公司(AI智能站) 版權所有(you) 備案号:冀(jì)ICP備2021001625号-1
技術(shu)支持:華軸(zhóu)網

›·›
• •·