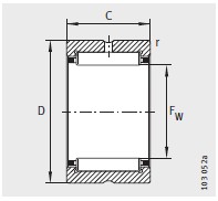
| 尺寸mm | |
|---|---|
| F w | 65 |
| D | 78 |
| C | 25 |
| r min | 0.6 |
| 基本額定(ding)載荷N | |
| 動載荷 C r | 50000 |
| 靜(jing)載荷 C or | 98000 |
| X-life | |
| X-life | XL |
| 疲勞極限(xiàn)載荷 C ur /N | |
| 疲勞極限(xian)載荷 C ur /N | 16700 |
| 極限轉速(su) n G min –1 | |
| 極限轉速 n G min –1 | 7200 |
| 質量(liang)m ≈kg | |
| 質量m ≈kg | 221 |
| 參考轉速(su) n B min –1 | |
| 參考轉速 n B min –1 | 4500 |
| 型号(hào)1 | |
| 型号1 | NK65/25 |
| 型号2 | |
| 型号(hao)2 | - |
| 型号3 | |
| 型号3 | - |
| 型号(hào)4 | |
| 型号4 | - |
