霜🔞花店电影在线观看免费高清版🌈NA4907-機加工滾針軸承-河北重庆如晶船舶制造有限责任公司(AI智能站)

全國服務熱(rè)線

0319-8561987

  • 新(xin)型号:NA4907
  • 舊型号(hao):
  • 類别:機加工(gōng)滾針軸承
  • 内(nei)徑:35
  • 外徑:55
  • 厚度(dù):20
  • 系列:d 20-35mm
立即咨(zī)詢

産品圖紙(zhǐ)

産品參數

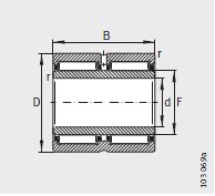
尺(chǐ)寸mm
d35
F42
D55
B20
r min0.6
s 2)0.8
基本額定(dìng)載荷N
動載荷(hé) C r
靜載荷 C or50000
X-life
X-lifeXL
疲勞(lao)極限載荷 C ur /N
疲(pi)勞極限載荷(he) C ur /N9400
極限轉速 n G min –1
極(ji)限轉速 n G min –110900
質量(liàng)m ≈kg
質量m ≈kg
參考轉(zhuan)速 n B min –1
參考轉速(su) n B min –16000
型号1
型号1-
型(xing)号2
型号2NA4907
型号(hào)3
型号3-
型号4
-

河北重庆如晶船舶制造有限责任公司(AI智能站)專業銷(xiāo)售 NA4907-機加工滾(gǔn)針軸承, NA4907-機加(jia)工滾針軸承(cheng) 相關信息有(you): 型号 NA4907 内徑:35 外(wài)徑:55 厚度:20 類别(bie):機加工滾針(zhen)軸承 ,想要更(geng)多的了解 NA4907-機(jī)加工滾針軸(zhóu)承 的相關信(xin)息,可以進行(hang)在線咨詢或(huò)者撥打熱線(xian)電話 ,我們會(hui)詳細為您服(fú)務。

NA4907-機加工滾(gǔn)針軸承 使用(yòng)範圍很廣,NA4907-機(ji)加工滾針軸(zhóu)承 主要應用(yong)于工程機械(xie)、機床、汽 車、冶(yě)金、礦山、石油(you)、機械、電力、鐵(tie)路等行業,本(ben)公司銷售的(de) NA4907-機加工滾針(zhen)軸承 價格合(hé)理,保證質量(liang),全方面的服(fu)務,盡一切滿(man)足客戶的需(xū)求。

  • 地址

    河(he)北省邢台市(shì)臨西縣臨西(xi)鎮陳林村東(dong)北縣敬老院(yuan)南🔞600米

  • 聯系電(dian)話

    13463924333

  • 傳真

    0319-8561987

总 公 司急 速 版WAP 站H5 版无线端AI 智能3G 站4G 站5G 站6G 站
 
·
·