| 尺寸mm | |
|---|---|
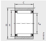
| F w | 70 |
| D | 90 |
| C | 30 |
| E | 78 |
| r min | 1 |
| 基(jī)本額定(ding)載荷N | |
| 動(dong)載荷 C r | 68000 |
| 靜(jìng)載荷 C or | 135000 |
| 型(xing)号 | |
| 型号(hao) | RNAO70X90X30 |
| X-life | |
| X-life | XL |
| 質量 m ≈kg | |
| 質(zhi)量 m ≈kg | 499 |
| 疲勞(láo)極限載(zǎi)荷 C ur /N | |
| 疲勞(lao)極限載(zǎi)荷 C ur /N | 23200 |
| 極限(xiàn)轉速 n G min –1 | |
| 極(ji)限轉速(su) n G min –1 | 6600 |
| 參考轉(zhuǎn)速 n B min –1 | |
| 參考(kao)轉速 n B min –1 | 4250 |
| 安(an)裝尺寸(cun)mm | |
| D b | 71 |
| d b | 77.2 |
| D a | 78.8 |
| r a max | 1 |
地址(zhi)
聯(lian)系電話(hua)
傳真
Copyright © 河北重庆如晶船舶制造有限责任公司(AI智能站) 版(bǎn)權所有(yǒu) 備案号(hào):冀ICP備2021001625号(hào)-1
技術支(zhī)持:華軸(zhóu)網

