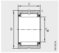
| 尺寸(cun)mm | |
|---|---|
| F w | 18 |
| D | 26 |
| C | 20 |
| r min | 0.3 |
| 靜載荷 C or | 22000 |
| 基(ji)本額定載(zai)荷N | |
| 動載荷(hé) C r | 17900 |
| X-life | |
| X-life | XL |
| 疲勞極限(xiàn)載荷 C ur /N | |
| 疲勞(lao)極限載荷(he) C ur /N | 3850 |
| 極限轉速(sù) n G min –1 | |
| 極限轉速(su) n G min –1 | 22100 |
| 質量m ≈kg | |
| 質量(liang)m ≈kg | 31.4 |
| 參考轉速(su) n B min –1 | |
| 參考轉速(su) n B min –1 | 14100 |
| 型号1 | |
| 型号(hào)1 | NK18/20 |
| 型号2 | |
| 型号(hao)2 | - |
| 型号3 | |
| 型号(hào)3 | - |
河北重庆如晶船舶制造有限责任公司(AI智能站)專業(ye)銷售 NK18/20-機加(jiā)工滾針軸(zhóu)承, NK18/20-機加工(gong)滾針軸承(cheng) 相關信息(xī)有: 型号 NK18/20 内(nèi)徑:18 外徑:26 厚(hòu)度:20 類别:機(jī)加工滾針(zhen)軸承 ,想要(yào)更多的了(le)解 NK18/20-機加工(gōng)滾針軸承(chéng) 的相關信(xìn)息,可以進(jin)行在線咨(zī)詢或者撥(bō)打熱線電(diàn)話 ,我們會(hui)詳細為您(nín)服務。
地址
傳真(zhēn)
電子郵件(jiàn)


•••·•
•