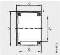
| 尺寸mm | |
|---|---|
| F w | 22 |
| D | 28 |
| C -0.3 | 20 |
| C t min | - |
| r min | 0.8 |
| 基本額定(dìng)載荷N | |
| 動載荷 C r | 16500 |
| 靜載(zai)荷 C 0r | 29000 |
| 适合内圈(需單(dan)獨訂購) | |
| LR 型号 | - |
| IR 型号(hào) | IR17X22X23 |
| 極限轉速 n G min –1 | |
| 極限轉(zhuan)速 n G min –1 | 11700 |
| 開式沖壓外圈(quān)滾針軸承 | |
| 型号 | HK2220 |
| 質(zhi)量 /m ≈kg | 26 |
| 閉式沖壓外圈(quān)滾針軸承 | |
| 型号 | - |
| 質(zhi)量/ m ≈kg | - |
| 疲勞極限載荷(he) C ur N | |
| 疲勞極限載荷 C ur N | 3850 |
| 參(can)考轉速 n B min –1 | |
| 參考轉速(su) n B min –1 | 8500 |
聯(lian)系電話
傳真
Copyright © 河北重庆如晶船舶制造有限责任公司(AI智能站) 版(ban)權所有 備案号:冀(jì)ICP備2021001625号-1
技術支持:華(hua)軸網

•••·•
•