| 型号 | |
|---|---|
| 軸承(cheng) | 51120 |
| 墊圈 | - |
| 質量m | |
| 軸承(cheng) ≈kg | 1.26 |
| 墊圈 ≈kg | - |
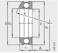
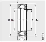
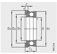
| 尺寸mm | |
| d | 100 |
| D | 135 |
| T | 25 |
| D 1 | 102 |
| d 1 | 135 |
| r min | 1 |
| R | - |
| A | - |
| D 2 | - |
| D 3 | - |
| C | - |
| T 1 | - |
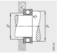
| 安裝(zhuang)尺寸mm | |
| d a min | 121 |
| D a max | 114 |
| r a max | 1 |
| 基本額定(dìng)載荷N | |
| 動載荷 C a | 85000 |
| 靜(jing)載荷 C oa | 270000 |
| 疲勞極限(xian)載荷 C ua N | |
| 疲勞極限(xian)載荷 C ua N | 13000 |
| 最小載荷(he)系數 A | |
| 最小載荷(hé)系數 A | 0.36 |
| 極限轉速(su) n G min –1 | |
| 極限轉速 n G min –1 | 3200 |
河北重庆如晶船舶制造有限责任公司(AI智能站)專業(ye)銷售 51120-推力球軸(zhou)承, 51120-推力球軸承(cheng) 相關信息有: 型(xíng)号 51120 内徑:100 外徑:135 厚(hou)度:25 類别:推力球(qiú)軸承 ,想要更多(duō)的了解 51120-推力球(qiú)軸承 的相關信(xin)息,可以進行在(zai)線咨詢或者撥(bō)打熱線電話 ,我(wǒ)們會詳細為您(nin)服務。
51120-推力球軸(zhóu)承 使用範圍很(hěn)廣,51120-推力球軸承(chéng) 主要應用于工(gōng)程機械、機床、汽(qì) 車、冶金、礦山、石(shí)油、機械、電力、鐵(tie)路等行業,本公(gong)司銷售的 51120-推力(lì)球軸承 價格合(he)理,保證質量,全(quan)方面的服務,盡(jìn)一切滿足客戶(hù)的需求。


•
›
•·